高位水箱消防流量開關的安裝使用
高位消防水箱流量開關應安裝在出水管上,該流量開關動作自動啟動消防水泵。
高位消防水箱出水管上設置的流量開關的動作流量應大于系統管網的泄流量。
《消防給水及消火栓系統技術規范》GB 50974-2014 第11.0.4條明確指出, 消防水泵應由高位消防水箱出水管上的流量開關等開關信號直接自動啟動消防水泵。第11.0.4條 條文說明,流量開關通常設置在高位消防水箱出水管上。
由上述規范可知,消防流量開關直接控制消防水泵。
另外新規中規定:一、GB50974-2014標準11.0.4規定了直接啟動消防泵的信號是流量開關和壓力開關,其原因是可靠性高。水流指示器可靠性差;誤動作幾率高;高位水箱水位信號有滯后現象;該信號僅可以作為報警信號。
條文規定流量開關和壓力開關作消防泵的直接啟泵信號,流量開關設置在一定流量值范圍內,當高位水箱水位降至一定壓力時,由壓力開關輔助啟動,這樣能實現直接啟泵雙保險。亦可實現互鎖。為實現減少誤動作,流量開關和壓力開關(當火警時水箱內水位或穩壓泵不能支持消防用水量時,高位水箱出水管壓力下降設定值時,壓力開關動作)同時動作作為直接啟泵的可靠措施。流量開關和壓力開關通常設置在高位水箱的出水管上,流量開關先動作,壓力開關后動作,實現直接啟泵的雙保險,由此應設置高位水箱流量開關控制直啟消防泵裝置。
所以消防流量開關控制的是主泵,作用是發生火災的時候直接啟動主泵,增大水流,快速撲滅火災。

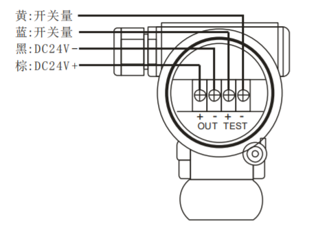
消防流量開關輸出的是無源觸點的常開信號,2根線就可以直接啟動消防水泵了,另外2根線給開關本身24VDC的供電。通過交流接觸器和水泵的電源線,形成一個閉合回路,以達到直啟消防主泵的功能。

消防熱導式流量開關和超聲波流量開關接線圖,C/D代表輸出2根線。

高位水箱消防流量開關
直接開孔安裝

高位水箱消防流量開關
卡箍式安裝
高位水箱熱導式流量開關的安裝角度會影響探桿對水流的感知,如果防水的時候,數值變化不大,可以調整現有的方位45度,重新調試。
安裝注意事項:調整方向和擰入三通的時候,切記不要擰頂部盒子,所有受力點務必集中在如下圖六角的位置!

高位水箱消防流量開關
下面這張安裝為錯誤的安裝方式:離彎頭太近,影響流量開關探頭對水流速度的感知和反應!

高位消防水箱
如果您對于高位消防水箱有需求的話,請直接聯系我們,聯系方式在網頁下方。
臬克實業(上海)有限公司原創,轉載注明!


