咨詢熱線
0551-65501008
地址:安徽省合肥市高新區安大科技園電子樓B座
電話:0551-65501008
傳真:0551-65501008
郵件:noike009@foxmail.com
NK33EX-600系列熱導式流量開關,基于熱式原理在封閉的探頭內包含兩個電阻,其中一個被加熱作為探測電阻,另一個未被加熱作為基準電阻,當介質流動時,加熱電阻上的熱量被帶走,電阻值被改變,兩個電阻差值被用作判斷流速的依據。探頭采用抗結垢涂層,能有效防止管道內水垢﹑銹垢等污垢附著,抗污能力更強,工作更穩定。
獨有錐形探頭設計,能有效防止介質中纏繞物的纏繞。全防水殼體設計,獨有防水調節旋鈕,不用拆卸密封螺絲,即可任意調節,方便更可靠。適用管徑范圍大,隨意調節設定點,可選防腐型,耐壓最高達100Bar ,指示燈直接顯示流量,可選繼電器﹑模似量輸出或模似開關量一體化輸出。 NK33EX-600系列熱導式流量開關可對管道中的液體流動情況進行實時監控,無活動部件,免維護,安裝方便,一種型號是用于多種管徑要求,提供開關量輸出,并采用6個LED實時顯示流體流速狀態,實現下列監控功能:介質流動,降低/提高流速;介質存在/不存在;介質流動/靜止;監控管道內流體流速大小﹑斷流監測或防止泵的空轉。被廣泛應用于石油化工﹑電力﹑治金﹑鋼廠﹑造紙﹑食口品加工﹑水處理﹑電池廠等行業。氣液兩用型,可用于氣動和液壓系統,可用于循環水,切割液及潤滑油的斷流監測,以及泵的空轉保護。
設定范圍: 1…150cm/s(水),3…300cm/s(油),20…2000cm/s(空氣)
信號輸出: PNP、NPN、繼電器﹑1)常開+常閉(SPDT)
供電: 24V±20%DC2)
接通電源: 最大400mA(PNP或NPN型)最大1A48VAC/DC(繼電器型)
空載電流: 最大80mA
流量指示: LED排(6個)
設定方式: 電位計設定
耐壓范圍: 100bar
介質溫度變化:4℃/s
響應時間: 1…13s,典型值2s
初始化時間: 約8s
電氣保護: 反相,短路,過載保護
防爆等級: ExdII CT6
防護等級: IP67
介質溫度: -20…100℃(可定制-60…150℃)
環境溫度: -20…80℃
儲存溫度: -20…100℃
接線方式: M12接插件
材質: 探頭:304不銹鋼(可定制316L/鈦合金/聚四氟乙烯等材質) 外殼:鑄鋁
重復精度: ±2%
注:模擬量輸出只有直流供電
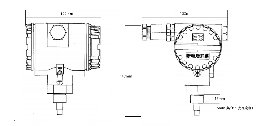
熱導式流量開關(防爆型)尺寸圖
型號
規格
螺紋
螺紋接口
供電
輸出
探桿
接液材質
祥述
NK33EX
-600
NK33EX-600系列電子式流量開關(傳感器)
25
法蘭 口徑DN25(25-150)
G2
接口螺紋G1/2
G4
接口螺紋G1/4
M
常規螺紋定制
W
接口螺紋 外螺紋
D
直流24V±20%供電
P
PNP輸出
N
NPN輸出
G
繼電器輸出
A
4···20mA輸出
R
常開+常閉輸出(SPDT)
K
探桿長度定制(K)(15mm—200mm)
L
L:304 T:鈦合金 F:四氟乙烯(不選默認316L)
S
加散熱片(-20-120℃)
訂貨提示:選型完畢后,請再次核對型號各項是否與所需一致、量程是否正確、輸出信號是否正確、是否有可選項、附件漏選
更多詳情,請點擊擋板式防爆水流量開關介紹
文明轉載是一種美德,轉載請注明出處!
批發價格:150-2000元/臺
網站簡介:臬克旗下有流量開關、流量計、溫度開關等產品,流量開關主要有消防,防爆,水,熱式,靶式,管道等,歡迎您進行選購。
滬公網安備31012002006266 滬ICP備18030703號-1
網站地圖: xml | TXT
微信公眾號